
24 V: n mikro Hollow Cup -moottori
24 V Hollow Cup -moottoreitamme on saatavana erikokoisina, ja ne kattavat 10 mm, 20 mm, 30 mm, 50 mm ja 100 mm eri laitteiden tarpeiden tyydyttämiseksi. Sitä käytetään laajasti monilla aloilla, kuten huoltorobotit, automatisoidut varastorobotit, automaattiset kameran tarkennusjärjestelmät, kaukosäädintä leluautot, lentävät koneet, robottilelut, verensokerimittarit, hammaslääketieteen instrumentit ja niin edelleen.
Kuvaus
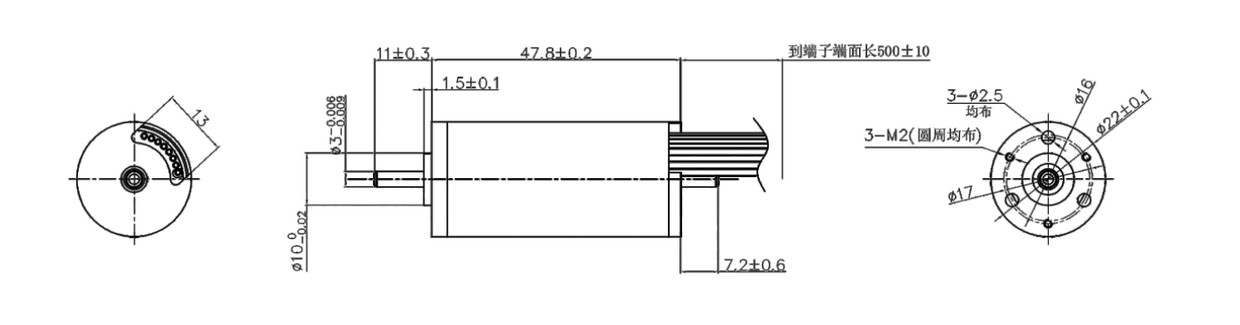
24 V Hollow Cup -moottorimalli ja parametritaulukko
| Tuotekuva | ||||||
| Moottorimalli | VEC -1218 | VEC -1819 | VEC -4035 | VEC -1656 si | VEC -2248 | |
| JÄNNITE | Käyttöalue | 22~26 | 22~32 | 22~32 | 22~32 | 22~26 |
| Nimellinen V |
24 | 24 | 24 | 24 | 24 | |
| Ei kuormitus | NOPEUS r/min |
62215 | 38233 | 39425 | 7500 | 70263 |
| Virnassa A |
0.1 | 0.111 | 0.81 | 0.281 | 0.34 | |
| Suurimmassa asemassa | NOPEUS r/min |
52777 | 33627 | 36066 | 69025 | 63147 |
| Nykyinen A |
0.671 | 1.811 | 8.697 | 3.249 | 3.283 | |
| Vääntömomentti mn.m |
2.095 | 4.378 | 56.474 | 10.555 | 9.753 | |
| Tulos W |
11.579 | 15.417 | 213.292 | 76.291 | 64.4696 | |
| Aloitus- | Vääntömomentti mn.m |
13.811 | 36.343 | 662.826 | 130.473 | 96.296 |
| Nykyinen A |
3.752 | 5.923 | 93.376 | 36.92 | 29.131 | |
| Tuotesuunnittelu |
|
|
|
|
|
|
| Tuotteen suorituskyky |
|
|
|
|
|
|
| Tuotekuva | ||||||
| Moottorimalli | VEC -1630 | VEC -2233 | VEC -3269 | VEC -2867 di | VEC -3260 si | |
| JÄNNITE | Käyttöalue | 22~26 | 20~26 | 22~26 | 22~26 | 22~26 |
| Nimellinen V |
24 | 24 | 24 | 24 | 24 | |
| Ei kuormitus | NOPEUS r/min |
37411 | 36000 | 5236 | 3180 | 6748 |
| Virnassa A |
0.136 | 0.16 | 0.134 | 0.05 | 0.138 | |
| Suurimmassa asemassa | NOPEUS r/min |
33250 | 32132 | 4599 | 2781 | 5891 |
| Nykyinen A |
1.087 | 1.492 | 1.003 | 0.419 | 0.969 | |
| Vääntömomentti mn.m |
6.075 | 7.589 | 42.08 | 18.772 | 29.298 | |
| Tulos W |
21.153 | 25.537 | 20.265 | 5.468 | 18.074 | |
| Aloitus- | Vääntömomentti mn.m |
54.614 | 70.632 | 345.727 | 149.8 | 230.655 |
| Nykyinen A |
8.682 | 12.42 | 7.238 | 2.923 | 6.66 | |
| Tuotesuunnittelu |
|
|
|
|
|
|
| Tuotteen suorituskyky |
|
|
|
|
|
|
VSD: n 24 V Hollow Cup Motor
VSD 24V Hollow Cup -moottorit ovat yleisimpiä jännitespesifikaatioitamme, ja niitä käytetään laajasti useissa sovelluksissa, joissa vaaditaan suurta tarkkuutta. 24 V: n miniatyyri Hollow Cup -moottorimme on saatavana laajalla nopeudella, yhteiset nopeudet ovat välillä 10, 000 r/min - 100, 000 r/min ja muutamalla mallilla, joissa on muutama tuhatta tuhatta r/min vastaamaan eri sovellusten tarpeita.
Hyödyntämällä korkealaatuisia seosmateriaaleja ja edistyneitä valmistusprosesseja, miniatyyrimme ovat kompakti ja kevyempiä kuin tavalliset moottorit ja tarjoavat suuremman kestävyyden. Tarkemman ohjauksen toteuttamiseksi tämä moottori voidaan myös varustaa vaihdelaatikolla ja kooderilla ohjauksen tarkkuuden ja stabiilisuuden parantamiseksi. Asiakkaiden vaatimusten mukaan voimme myös räätälöidä IP -suojaustasoja varmistaaksemme, että moottorit voivat toimia luotettavasti erilaisissa ympäristöissä.
24 V Hollow Cup -moottoreitamme on saatavana erikokoisina, ja ne kattavat 10 mm, 20 mm, 30 mm, 50 mm ja 100 mm eri laitteiden tarpeiden tyydyttämiseksi. Sitä käytetään laajasti monilla aloilla, kuten huoltorobotit, automatisoidut varastorobotit, automaattiset kameran tarkennusjärjestelmät, kaukosäädintä leluautot, lentävät koneet, robottilelut, verensokerimittarit, hammaslääketieteen instrumentit ja niin edelleen.
Lisäksi tarjoamme räätälöintipalvelun, jonka avulla asiakkaat voivat säätää nopeuden, jännitteen, vaihteiden, laakereiden (esim. Yksiakselin, kaksois -akselin) kokoonpanoa, asennusreiät ja terminaali johtaa sen varmistamiseen, että moottori sopii täydellisesti tiettyyn sovellus.
VSD 24V Hollow Cup -moottori on nyt valittu motorinen ratkaisu monille teollisuudenaloille sen paremman suorituskyvyn, joustavien räätälöintivaihtoehtojen ja laajan sovellettavuuden vuoksi.
VSD 24V Hollow Cup -moottorin edut
nopea
24 V Air Core Cup -moottorit ovat saatavana laajalla nopeudella 10, 000 r/min - 100, 000 r/min sovelluksille, jotka vaativat suuria nopeuksia ja nopeaa vastausta. Tämä tekee niistä ihanteellisia laajalle valikoimalle tarkkuuskoneita ja korkean suorituskyvyn laitteita.
kompakti
Tällä moottorilla on kompakti muotoilu ja se vie vähän tilaa. Käyttämällä edistyneitä valmistusprosesseja ja seostimateriaaleja, 24 V Hollow Cup -moottori ylläpitää erinomaista tehon suorituskykyä kompaktissa koossa, joten se sopii sovelluksiin tiiviissä tiloissa.
lovi
Toisin kuin tavanomaiset moottorit, 24 V Hollow Cup -moottorit hyödyntävät vaihdetonta mallia, joka vähentää värähtelyä ja melua pyörimisen aikana ja parantaa sileyttä ja luotettavuutta. Tämä saa moottorin toimimaan erityisen hyvin sovelluksissa, joissa vaaditaan suurta tarkkuutta.
kevyt
24 V: n ontto kuppimoottori on valmistettu kevyistä materiaaleista, ja sillä on pieni paino. Tämä ei vain paranna laitteen yleistä suorituskykyä, vaan myös saa sen loistamaan sovelluksissa, joissa vaaditaan painon alentamista, kuten droonit ja robotit.
laaja sovellettavuus
Erinomaisen suorituskyvyn ja monien räätälöintivaihtoehtojensa vuoksi 24 V Hollow Cup -moottoreita käytetään laajasti robottiikoilla, kaukosäädintä, lääkinnällisissä laitteissa, auto-, ilmailu- ja monissa muissa kentissä, mikä osoittaa korkean sopeutumiskyvyn ja joustavuuden.
Syyt valita VSD 24V Hollow Cup Motors
Alan johtajana, jolla on yli vuosikymmenen kokemus mikromotorien mukauttamisesta, VSD tarjoaa korkealaatuisia Hollow Cup -moottoriratkaisuja asiakkaille ympäri maailmaa. Tässä on muutama syy valita VSD Hollow Cup -moottorit:
Laaja räätälöintikokemus
Yli vuosikymmenen kokemuksella mikro-moottorikentällä VSD on kerännyt runsaasti räätälöintikokemusta ja pystyy tarjoamaan räätälöityjen Hollow-kupin moottoriratkaisuja eri toimialojen tarkkuusvaatimusten täyttämiseksi.
Vahvat tutkimus- ja kehitys- ja valmistusominaisuudet
VSD: llä on yli 10, 000 neliömetriä modernia tuotantopohjaa, riippumatonta harjatonta tasavirta- ja harjattuja DC -moottorilaitoksia, jotka on varustettu edistyneillä tutkimus- ja kehitys-, laatutarkastus-, valvonta- ja osto -osastoilla kunkin moottorin korkean laadun ja luotettavuuden varmistamiseksi.
Globalisoituja toimitusketjut ja kuljetusturvallisuus
VSD: llä on kattava globaali kuljetus- ja tullirasvauspalvelu, joka tukee laajaa kuljetusmuotoa varmistaakseen, että moottorit toimitetaan nopeasti ja turvallisesti ympäri maailmaa. Missä tahansa tarpeesi on, VSD voi tarjota tehokkaan logistiikkaratkaisun.
Erinomainen tuotantokapasiteetti ja laadunvarmistus
VSD: n päivittäinen tuotantokapasiteetti voi saavuttaa 200, 000 yksiköt, mikä varmistaa suuren määrän tuotantotarpeiden oikea-aikaisen toimituksen. Hollow Cup -moottorimme ovat läpäisseet satoja laatusertifikaateja ja tiukkoja laatustandardeja varmistaakseen, että jokainen moottori tarjoaa johdonmukaisen, pitkäaikaisen suorituskyvyn.
Ammatillinen asiakastuki ja palvelu
Tiimimme on aina valmis tarjoamaan sinulle teknistä tukea ja myynnin jälkeistä palvelua auttamaan sinua ratkaisemaan ongelmat.VSD on sitoutunut varmistamaan, että projekti etenee sujuvasti ammatillisen teknisen neuvon ja asiakastuen avulla.
Valitsemalla VSD Hollow Cup -moottorit, et voi vain nauttia korkealaatuisista tuotteista, vaan myös saada maailmanlaajuista tarjontataustausta ja vahvaa räätälöityä palvelua. Kutsumme sinut vierailemaan ja kokemaan ammattitaitoamme ja voimamme itsellesi.
Lähetä kysely
Saatat myös pitää





































